统一服务热线:022-27795563/李先生
网站地图
客户留言
联系我们
运动控制领域步进电机制造商
致力为客户提供各种解决方案
网站首页
关于安全电机
公司简介
厂房设备
合作伙伴
资质证书
产品展示
步进电机驱动器
混合式步进电机
混合式丝杆电机
混合式闭环电机
偏心减速步进电机
混合式刹车电机
解决方案
成功案例
新闻中心
公司动态
技术支持
常见问题
联系我们
客户留言
热门搜索:
步进电机
|
步进电机厂家
|
天津步进电机
|
步进电机驱动器
[
步进电机驱动器
]
57步进电机加驱动器
57驱动器DH542
86步进电机加驱动器
86驱动器DH860
[
混合式步进电机
]
20步进电机系列
28系列步进电机
35步进电机系列
39步进电机系列
42系列步进电机
57系列步进电机
86步进电机系列
[
混合式丝杆电机
]
28丝杆电机系列
42贯通式丝杆电机系列
42丝杆电机系列
57丝杆电机系列
[
偏心减速步进电机
]
57偏心减速机系列
86偏心减速机系列
[
行星减速步进电机
]
42行星减速机系列
[
混合式闭环电机
]
闭环电机57系列
[
混合式刹车电机
]
刹车电机57系列
4
产品中心
您的位置:
首页
->
产品中心
->
混合式步进电机
->
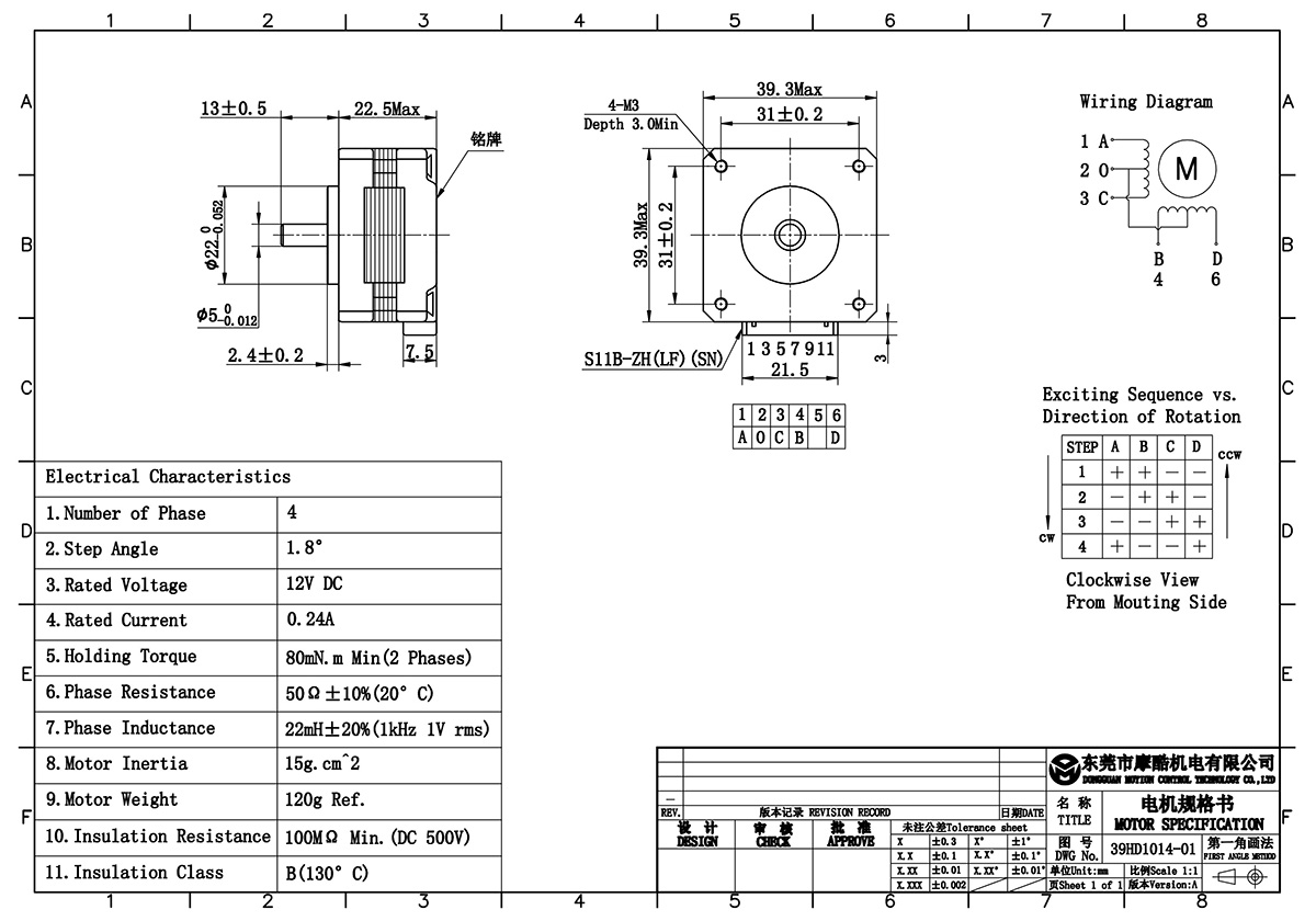
39步进电机系列
->
39步进电机系列
39步进电机系列
39步进电机系列
[上一个:35步进电机系列]
[下一个:42HD2037-01]
39步进电机系列
详情说明
天津安全电机有限公司 版权所有 Copyright 【
BMAP
】 【
GMAP
】
关键词:步进电机 | 步进电机厂家 | 天津步进电机【
津ICP备19032221-1号
】
展开
收缩
QQ咨询
在线咨询
售前客服①
电话咨询
在线咨询
022-27795563
188 3771 7675