统一服务热线:022-27795563/李先生

运动控制领域步进电机制造商

致力为客户提供各种解决方案
[ 步进电机驱动器 ]
[ 混合式步进电机 ]
[ 混合式丝杆电机 ]
[ 偏心减速步进电机 ]
[ 行星减速步进电机 ]
[ 混合式闭环电机 ]
[ 混合式刹车电机 ]
4产品中心
86-156MM
86-156MM
86-156MM
   

86-156MM

 详情说明

法兰面

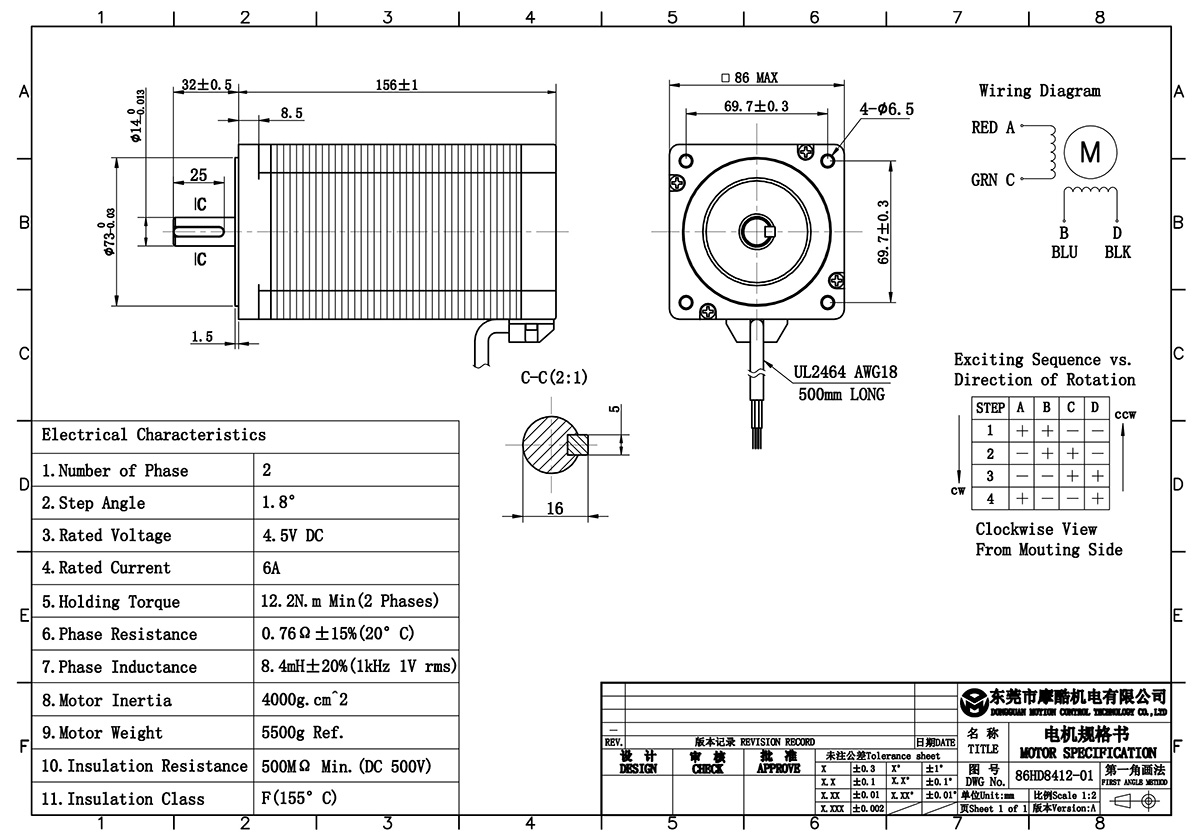
电机型号

机身长度(mm)

保持力矩(N.M)

额定电流(A)

转子惯量(g.cm2)

轴径(mm)

适配驱动器

86mm

86HD80401-01

80

4500

6

1400

14

MC8

86HD18401-01

118

7500

6

2100

14

MC8

86HD28401-01

128

8500

6

2700

14

MC8

86HD56401-01

156

12200

6

4000

14

MC8



天津安全电机有限公司 版权所有 Copyright 【BMAP】 【GMAP
关键词:步进电机 | 步进电机厂家 | 天津步进电机【津ICP备19032221-1号
收缩
  • 电话咨询

  • 在线咨询
  • 022-27795563
  • 188 3771 7675